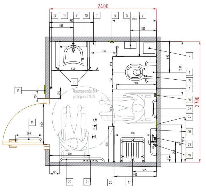
Санузел с душем для инвалидов, центральное расположение унитаза 2,7 х 2,4 м, комплект оборудования с подвесным унитазом и DWG проектом
Обращаем Ваше внимание, что НДС на некоторые товары различается (от 0 до 22%). В счете указывается цена с НДС с учетом персональных оптовых или дилерских скидок
Для строительных и торгующих компаний у нас действуют оптовые цены. Получить оптовый прайс-лист (с НДС)
Габаритные размеры помещения: 2,7 х 2,4 м.
*Наше решение - комплексный санузел для людей с инвалидностью получило премию "Решение года в сфере универсального дизайна и обеспечения доступной среды". Подробнее о конкурсе и нашем в нем участии - в новости.
О комплекте и решении:
В соответствии с действующими нормами СП 59.13330.2020 санузел должен быть адаптирован для инвалидов специализированным оборудованием (все необходимое учтено в наборе!).
Данный набор - возможность для вас не искать в разных местах различное оборудование и не думать подходит ли оно друг другу.
- Подобрано в 100% соответствии СП и ГОСТ. В составе единственная модель унитаза на рынке полностью соответствующая нормам
- Комплект универсальный. Подходит для всех типов учреждений.
В комплекте:
- Система вызова помощи в санузел с кнопкой со шнурком А310ш, арт. А310ш
- Дополнительная кнопка вызова для душа со шнурком и двумя кольцами с табличкой для комплектов А310ш, APE510.2ш, арт. 8304
- Унитаз подвесной для инвалидов соответствующий нормам DSTRANA, арт. 4623
- Инсталляция для подвесного унитаза DSTRANA (для унитаза арт. 4623), арт. 4625
- Поручень для туалета настенный откидной без бумагодержателя по ГОСТ 900x150 мм Ø 32, арт. 3207-900
- Поручень для туалета напольный для инвалидов h-образный с бумагодержателем 950х750 мм, универсальный (для унитаза арт. 4621), арт. 8085
- Поручень-опора регулируемая с подушкой для спины в санитарно-гигиенические комнаты 250-370х500 мм, арт. 8346
- Сенсорный смеситель с термостатом для санузла для инвалидов (для раковин 4624, 6926), арт. 8399
- Раковина для инвалидов DSTRANA 640х550х165мм, арт 4624
- Поручень для раковины двухопорный 600мм Ø 32, арт. 8071-600 - 2 шт.
- Плоский сифон для раковин арт. 4624, арт. 6929
- Универсальный травмобезопасный держатель (крючок) из нержавеющей стали, арт. DS-2269
- Крючок-держатель для тростей и других вещей, арт. 2202
- Диспенсер для мыла (сенсорный дозатор) арт.2058
- Бесконтактный диспенсер для туалетной бумаги, арт.2533
- Держатель для туалетной бумаги вертикальный, нержавеющая сталь, арт. 8348 (держатель для дополнительного рулона туалетной бумаги)
- Сушка бесконтактная для рук арт.2513
- Зеркало наклонное с ручкой 600х400мм, арт.2237
- Урна для санузла (15 л), арт. 6143
- Сиденье для душа DStrana 53х55 см, с упором в пол, арт. 8342
- Поручень прямой настенный 600мм Ø 32 мм, арт. К3218-600, для установки на дверное полотно внутри помещения
- Полка для ванной/душевой подвесная, из нержавеющей стали, арт. 8913
- Планка 5 крючков, нержавейка
- Штанга для душа DS без смесителя, арт. 8251
- Смеситель настенный рычажный с душевой лейкой и термостатом, арт. 8313
- Поручень для душа настенный откидной без бумагодержателя 800х230 мм, арт. 3207-800
- Поручень для инвалидов в ванную настенный Г-образный 850х600мм, правый, арт. 8061-п/Поручень для инвалидов в ванную настенный Г-образный 850х600мм, левый, арт. 8061-л
- Поручень прямой настенный 1000мм Ø 32 мм, арт. К3218-1000
- Поручень прямой настенный 400мм Ø 32 мм, арт. 3218-400-К
- Тактильно-визуальный знак "Туалет для инвалидов" ГОСТ Р 52131, ПОЛИСТИРОЛ, арт. 4717-150
Проект в DWG:
- Отправьте нам заявку на почту: zakaz@dstrana.ru
- Напишите нам в WhatsApp или в Telegram, подготовим коммерческое предложение или счет
- Нужна консультация? Звоните +78003027023
- Строительным компаниям: предусмотрены оптовые цены, счета с НДС
- Государственным учреждениям: можем подготовить 1,3 и более коммерческих предложений.
Работаем по договорам, 44/223ФЗ, по пост оплате, доставляем по всей РФ. - Проектирующим компаниям: есть чертежи на данный товар и другую продукцию нашей компании, обращайтесь!


